推荐产品
淄博市某35万平米小区低温空气源热泵集中供暖制冷案例赏析

前言:为了减少燃煤污染、改善空气质量、保障广大用户温暖过冬,我国北方地区开始大力推进“煤改电”应用;在这样的背景下,山东省各地政府积极响应号召,出台了一系列严厉的政策和新举措,大力推进农村幼儿园、中小学、卫生室、养老院、便民服务中心等公共场所和农村新型社区冬季清洁取暖和燃煤锅炉清洁能源改造。而山东省淄博市更是坚持把燃煤锅炉整治作为改善空气质量的牛鼻子工程来抓,采取建立台账、财政补贴等措施,对燃煤锅炉实施淘汰和清洁能源改造。也正是如此,空气源热泵开始在整个北方地区不断受到追捧,成为燃煤锅炉替代改造的主要选择之一。
35万㎡,采用空气源热泵实现冷暖恰到好处
淄博市淄川区某空气源热泵采暖服务项目辖区面积46.1平方公里,辖22个行政村。由于淄博市处于鲁中山地和华北平原的过渡地带,有平原也有盆地的地区,南部为中低山区,中部为丘陵区,北部为平原区,属温带季风气候,故冬天寒冷干燥。

淄博采暖设计气象参数显示,淄博地区冬季室外采暖计算温度为-7℃,采暖天数120天,最冷月平均环境温度为零下7℃,极端最低温度-14.9℃,属于北方寒冷地区。根据多年来淄博市冬季气象参数项目实际情况结合该项目改造特点和空气源热泵供热的实际运行经验,最终选用了适合于北方寒冷地区使用的低温空气源热泵,实现冬季清洁供暖。
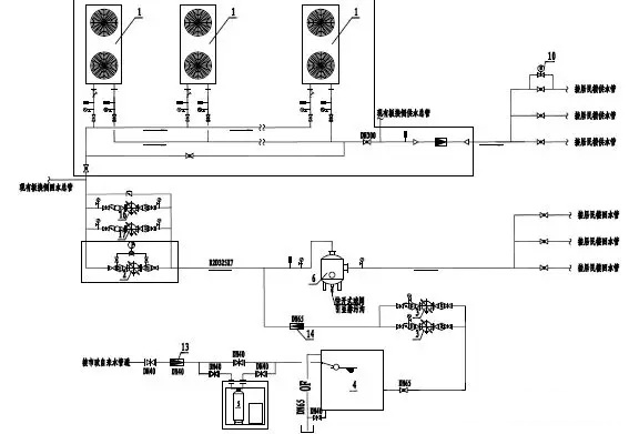
据了解,该项目采暖共包括八个村(社区)和一个养老院,总建筑面积约为350000平方米,用户侧末端为地板采暖和暖气片。同时,该项目选用的热泵采暖运行范围-25℃~+45℃,无需辅助电加热,采暖期平均能效比(COP)可达3.0以上,占地面积小、稳定性强、可靠性高、节能效果显著。

该项目冷、热水设计计算参数
据了解,该项目室外计算参数取自《采暖通风与空气调节设计规范》GBJ50019(2001年版)供暖计算依据:依据《城镇供热管网设计规范》CJJ34-2010采暖热指标推荐值q(W/m2)。同时,供暖所需热能选择,根据以下设计指标和经验值,热负荷指标取设计指标的70%左右设计。

该项目利用互联网与物联网创新,实现了远程监控功能,随时监控热量、水量、进出口温度、机器故障、运行状态等;远程控制功能,控制机器停止;管网热量控制,根据热量需求,根据室内温度信号调整热量平衡阀的开度,实现了全控节能。

低温空气源热泵采暖效果显著,获好评
据项目负责人介绍,空气源热泵供暖具有高能效的转化比,可实现最大限度的节能;其能效转化比高达4.37,也就是消耗1度电可以转化4.37倍的热量,真正做到了最大限度的节能效果。同时,使用空气源热泵采暖不会产生污染性气体,废液,是真正的绿色环保无污染的采暖产品。以空气源热泵采暖为例,若1000万平方米建筑采用空气源供热站供热,三年可约节省燃气9.16亿立方米,代替标煤180万吨,减少16.2亿万—21.6亿万Nm3/h废气排量、4.32万吨SO2排量、5.4万吨烟尘排量、50.4万吨炉渣排量。将从根本上减少雾霾及PM2.5超标天数,提高空气质量,抑制环境污染、大气污染。
空气源热泵采暖可以根据用户自家情况,选择末端散热形式,即地暖管散热、暖气片散热、风盘散热,选择具有多样性;同时,用户还可根据室温效果,更换为效果更好的末端。此外,该项目不仅可以实现冬季采暖,还拥有夏季制冷功能;并且全年四季可以提供生活热水,功能多样。并且,空气能热泵供暖温度恒定,室内温度可以稳定达到18-22℃,在低温条件下可以实现24小时不间断供暖,室内环境温度均匀,室内空气可以形成自然对流,更加舒适。

据了解,该项目于2017年9月底进场施工,2017年11月15日前启用运行,经过了一个采暖季的稳定运行,建筑保温效果好的建筑屋里温度能够达到25℃以上,保温效果稍微差点点的建筑也能够达标18℃以上,而且屋里温度相对恒定。
同时,该项目在上一采暖季不仅获得两座社区用户和镇养老院负责人的高度认可,还得到了所辖六个村村民的高度评价,甚至有用户和村民直接赞到:屋里现在温度比之前烧燃煤锅炉舒服多了;同时,改用了空气源热泵采暖不仅比之前烧煤便宜了不少,关键是更省心了,家里面也彻底的清洁干净了,再也不用大晚上起来掏煤灰煤渣了,这电采暖设备真是好。据了解,该项目已经启动第二采暖季运行,且稳定;经过改造的社区、养老院和村,现在变得更亮了,也变得更美。
