推荐产品
吉林开展2018年度省级空气源热泵(热泵类)可再生能源建筑应用示范项目验收工作
吉林省住房和城乡建设厅关于开展2018年度省级可再生能源建筑应用示范项目验收的通知
吉建科〔2019〕2号
长春市建委,四平市、辽源市、白城市住房城乡建设局,珲春市住房城乡建设局,农安县、伊通县、敦化市、靖宇县住房城乡建设局,各有关单位:
为推进可再生能源建筑应用,确保省级可再生能源示范项目达到标准要求,提高奖补资金的使用效率,按照《吉林省建筑节能奖补资金管理办法》(吉建财〔2016〕502号)规定,经研究,定于2019年3月上旬省住建厅会同省财政厅组织专家对2018年度省级可再生能源建筑应用示范项目进行专项验收。具体事项通知如下:
一、加强组织领导
推进可再生能源建筑应用示范工作,是落实国家和省关于加快实施北方清洁取暖战略部署的一项重要举措,开展可再生能源示范项目专项验收,是加强和规范示范项目管理、确保示范成效的重要手段。各地住房城乡建设主管部门要高度重视专项验收工作,加强对示范项目的跟踪管理,认真组织本地区示范项目做好验收准备工作。各示范项目建设单位要抓紧组织整理验收材料,确保要求时限前完成相关工作。对于未通过专项验收的示范项目,将取消示范资格,不予拨付奖补资金。
二、验收条件和要求
(一)验收条件。
1.示范项目应完成相应建设内容,建设程序文件资料齐全完整,且工程质量验收合格;
2.示范项目热泵机组应在2018-2019年采暖期投入使用,并通过能效测评。
(二)验收材料。
申请专项验收的项目单位应提供以下材料:
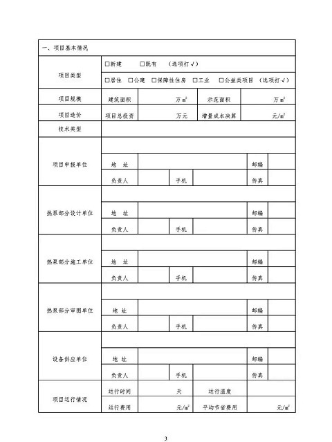
1.《吉林省可再生能源建筑应用示范项目验收报告》一式三份;
2.示范项目《测评报告》,其中包括《形式检查报告》、《性能检测报告》、《能效评估报告》;
3.项目热泵部分施工图设计文件及审查报告;
4.成井报告;
5.分项工程监理、验收资料;
6.施工验收记录复印件;
7.试运行调试记录;
8.供热运行记录;
9.可再生能源建筑应用的管理制度、操作规程等;
10.相关产品、设备检测报告、合格证等;
11.相关从业单位资质、节能产品认定证书;
12.设计、监理、施工等有关合同;
13.资金使用明细及相关凭证、票据;
14.地下水源热泵提供《浅层地热能勘察报告》、土壤源热泵项目提供《热响应测试报告》、空气源热泵项目提供《噪声测试报告》;
15.招投标文件;
16.其他应提供的验收资料。
验收材料第2—16项应装订成册,一式五份;同时准备电子文档。
(三)其他。
各地建设主管部门应组织示范项目于2019年2月28日前提出验收申请,并将验收材料纸质材料(一份)连同电子文档报至建筑节能科技处。现场验收时间另行通知。
三、联系方式
刘 杨 0431-82752569
附件:吉林省可再生能源建筑应用示范项目验收报告
吉林省住房和城乡建设厅
2019年2月2日





